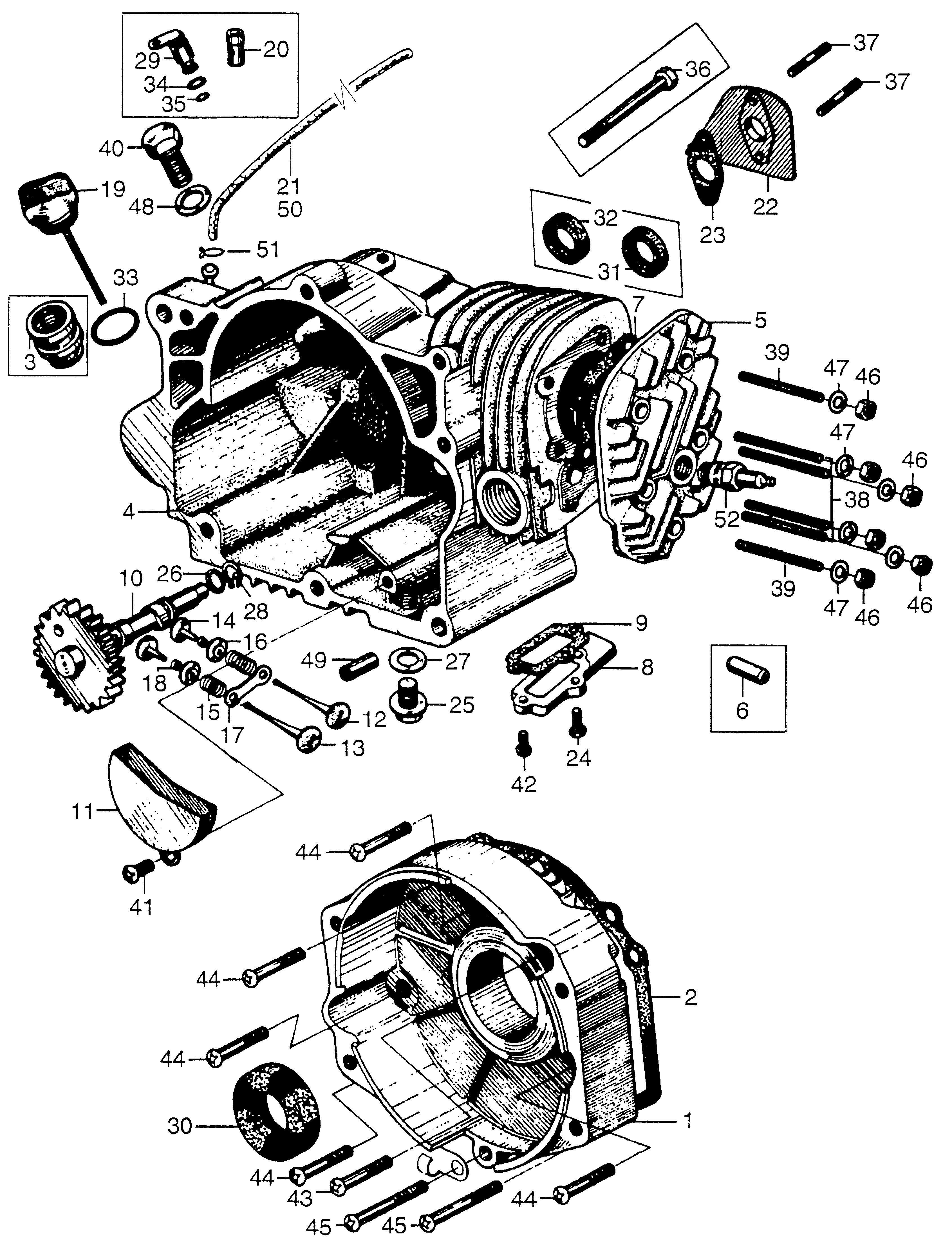
Generators E E300 E300K3 A GE300-3000005-3188447 CYLINDER@CRANKCASE - Canns-Bilco Distributors, Inc.

Ref No
Part Number
Description
Serial Range
Qty
Price

Ref No
1
Part Number
11100-884-000
Description
COVER, CRANKCASE
Serial Range
1075765 - 9999999

Ref No
2
Part Number
11191-836-000
Description
GASKET, CRANKCASE COVER (NOT AVAILABLE)
Serial Range
1000001 - 9999999

Ref No
3
Part Number
11220-812-000
Description
PIPE, OIL
Serial Range
1000001 - 9999999

Ref No
4
Part Number
12100-884-000
Description
CYLINDER
Serial Range
1021558 - 9999999

Ref No
5
Part Number
12201-870-000
Description
CYLINDER HEAD (NOT AVAILABLE)
Serial Range
1018082 - 9999999
Qty
Price
$34.36

Ref No
6
Part Number
12236-836-305
Description
GUIDE, VALVE (OVER SIZE) (NOT AVAILABLE)
Serial Range
1106001 - 9999999

Ref No
7
Part Number
12251-812-010
Description
GASKET, CYLINDER HEAD (NOT AVAILABLE)
Serial Range
1018082 - 9999999

Ref No
8
Part Number
12361-836-000
Description
COVER, TAPPET
Serial Range
1000001 - 9999999

Ref No
9
Part Number
12369-812-010
Description
GASKET, TAPPET COVER (NOT AVAILABLE)
Serial Range
1000001 - 9999999

Ref No
10
Part Number
14101-884-000
Description
CAMSHAFT
Serial Range
1000001 - 9999999

Ref No
11
Part Number
14105-866-000
Description
PROTECTOR, GEAR (NOT AVAILABLE)
Serial Range
1000001 - 9999999

Ref No
12
Part Number
14711-812-020
Description
VALVE, IN.
Serial Range
1000001 - 9999999

Ref No
13
Part Number
14721-812-020
Description
VALVE, EX. (NOT AVAILABLE)
Serial Range
1000001 - 9999999

Ref No
14
Part Number
14731-812-010
Description
LIFTER, VALVE (NOT AVAILABLE)
Serial Range
1000001 - 9999999

Ref No
15
Part Number
14751-812-000
Description
SPRING, VALVE (NOT AVAILABLE)
Serial Range
1000001 - 9999999

Ref No
16
Part Number
14771-812-010
Description
RETAINER, VALVE SPRING (NOT AVAILABLE)
Serial Range
1000001 - 9999999

Ref No
17
Part Number
14775-812-000
Description
SEAT, SPRING (NOT AVAILABLE)
Serial Range
1000001 - 9999999

Ref No
18
Part Number
14803-812-305
Description
ADJUSTER C, TAPPET CLEARANCE (3.42-3.45) (NOT AVAILABLE)
Serial Range
1018082 - 9999999

Ref No
18
Part Number
14806-812-305
Description
ADJUSTER F, TAPPET CLEARANCE (3.33-3.36) (NOT AVAILABLE)
Serial Range
1018082 - 9999999

Ref No
18
Part Number
14809-812-305
Description
ADJUSTER, TAPPET CLEARANCE (3.24-3.27) (NOT AVAILABLE)
Serial Range
1018082 - 9999999

Ref No
18
Part Number
14812-812-305
Description
ADJUSTER, L. TAPPET CLEARANCE (3.15-3.18) (NOT AVAILABLE)
Serial Range
1018082 - 9999999

Ref No
18
Part Number
14815-812-305
Description
ADJUSTER, TAPPET CLEARANCE (3.06-3.09) (NOT AVAILABLE)
Serial Range
1018082 - 9999999

Ref No
19
Part Number
15620-844-000
Description
CAP, OIL FILLER (NOT AVAILABLE)
Serial Range
3000005 - 9999999

Ref No
23
Part Number
16229-812-000
Description
GASKET, CARBURETOR INSULATOR (NOT AVAILABLE)
Serial Range
1000001 - 9999999

Ref No
24
Part Number
90002-836-000
Description
BOLT, SPECIAL (5MM)
Serial Range
1000001 - 9999999

Ref No
30
Part Number
91202-836-013
Description
OIL SEAL (17X35X6) (NOT AVAILABLE)
Serial Range
1000001 - 9999999

Ref No
33
Part Number
91303-800-000
Description
O-RING (16MM)
Serial Range
1000001 - 1092170

Ref No
33
Part Number
91304-MJ0-003
Description
O-RING (15.8X2.4) (SHOWA)
Serial Range
1000001 - 1092170

Ref No
37
Part Number
92710-05032-0B
Description
BOLT, STUD (5X32) (NOT AVAILABLE)
Serial Range
1106001 - 9999999

Ref No
38
Part Number
92900-06025-3B
Description
BOLT, STUD (6X40) (NOT AVAILABLE)
Serial Range
3000005 - 9999999

Ref No
39
Part Number
92700-06050-3B
Description
BOLT, STUD (6X50) (NOT AVAILABLE)
Serial Range
3000005 - 9999999

Ref No
41
Part Number
93500-05010-0A
Description
SCREW, PAN (5X10)
Serial Range
1106001 - 9999999
Qty
Price
$1.10

Ref No
42
Part Number
93500-05018-0A
Description
SCREW, PAN (5X18)
Serial Range
1000001 - 9999999
Qty
Price
$1.00

Ref No
44
Part Number
93500-05022-0A
Description
SCREW, PAN (5X22)
Serial Range
1000001 - 9999999
Qty
Price
$0.82

Ref No
44
Part Number
93500-05022-0A
Description
SCREW, PAN (5X22)
Serial Range
1000001 - 9999999
Qty
Price
$0.82

Ref No
45
Part Number
93500-05035-0A
Description
SCREW, PAN (5X35)
Serial Range
1000001 - 9999999
Qty
Price
$1.34

Ref No
45
Part Number
93500-05035-0A
Description
SCREW, PAN (5X35)
Serial Range
1000001 - 9999999
Qty
Price
$1.34

Ref No
46
Part Number
90233-357-000
Description
NUT, FLANGE (6MM) (NOT AVAILABLE)
Serial Range
1000001 - 9999999

Ref No
48
Part Number
94109-14000
Description
WASHER, DRAIN PLUG (14MM)
Serial Range
1106001 - 9999999
Qty
Price
$0.78

Ref No
50
Part Number
95001-45003-60M
Description
BULK HOSE, FUEL (4.5X3000) (4.5)
Serial Range
1106001 - 1240000
Qty
Price
$51.76

Ref No
50
Part Number
95001-45003-60M
Description
BULK HOSE, FUEL (4.5X3000) (4.5)
Serial Range
1106001 - 1240000
Qty
Price
$51.76

Ref No
51
Part Number
95002-02080
Description
CLIP, TUBE (B8)
Serial Range
1240001 - 9999999
Qty
Price
$2.20

Ref No
52
Part Number
98052-56471
Description
SPARK PLUG (CM6) (NGK)
Serial Range
1000001 - 9999999
Qty
Price
$6.50