Description MARK, CONTROL INDICATION (NOT AVAILABLE)
Serial Range 1000001 - 1101901
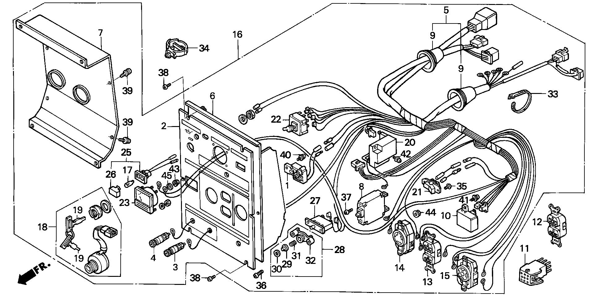
Ref No 2
Part Number 31406-ZB8-A32
Description MARK, CONTROL INDICATION
Serial Range 1101902 - 9999999
Qty
Price $167.70
Ref No 3
Part Number 31408-880-000
Description TERMINAL, D.C. OUTPUT (+)
Serial Range 1102002 - 9999999
Qty
Price $45.58
Ref No 4
Part Number 31409-880-000
Description TERMINAL, D.C. OUTPUT (-)
Serial Range 1115605 - 9999999
Qty
Price $45.58
Ref No 5
Part Number 31418-ZB8-632
Description HARNESS ASSY., CONTROL (EXS-A) (NOT AVAILABLE)
Serial Range 1005079 - 9999999
Ref No 5
Part Number 31418-ZB8-633
Description HARNESS ASSY., CONTROL (EXS-A)
Serial Range 1107187 - 1115604
Qty
Price $367.18
Ref No 6
Part Number 31420-ZB8-631
Description PANEL, CONTROL (NOT AVAILABLE)
Serial Range 1107187 - 9999999
Ref No 7
Part Number 31425-ZB7-003
Description COVER, CONTROL
Serial Range 1115605 - 9999999
Ref No 8
Part Number 31430-ZB8-630
Description BREAKER, CIRCUIT (17A)
Serial Range 1115605 - 9999999
Qty
Price $230.72
Ref No 9
Part Number 31482-ZB4-003
Description GROMMET, MAIN WIRE
Serial Range 1115605 - 9999999
Qty
Price $16.94
Ref No 10
Part Number 31710-ZB7-A02
Description DIODE ASSY.
Serial Range 1115605 - 9999999
Qty
Price $105.60
Ref No 11
Part Number 32130-ZB7-000
Description CONNECTOR ASSY.
Serial Range 1115605 - 9999999
Qty
Price $24.56
Ref No 13
Part Number 32330-ZS3-G31
Description RECEPTACLE (20A/125V) (EAGLE / RONG FENG)
Serial Range 1000001 - 1115604
Qty
Price $62.40
Ref No 14
Part Number 32332-ZB4-630
Description RECEPTACLE (30A/125V)
Serial Range 1115605 - 9999999
Qty
Price $45.88
Ref No 15
Part Number 32334-ZA0-631
Description RECEPTACLE (30A/125-250V)
Serial Range 1002399 - 9999999
Ref No 16
Part Number 32340-ZB8-A31
Description PANEL ASSY., CONTROL (NOT AVAILABLE)
Serial Range 1000001 - 1101901
Ref No 16
Part Number 32340-ZB8-A32
Description PANEL ASSY., CONTROL (NOT AVAILABLE)
Serial Range 1101902 - 9999999
Ref No 16
Part Number 32340-ZB8-A33
Description PANEL ASSY., CONTROL (EXS-A)
Serial Range 1107187 - 1115604
Qty
Price $2,509.62
Ref No 17
Part Number 34908-GE0-701
Description BULB, WEDGE BASE (12V/2W)
Serial Range 1107187 - 9999999
Qty
Price $3.52
Ref No 18
Part Number 35100-ZA0-023
Description SWITCH ASSY., COMBINATION
Serial Range 1115605 - 9999999
Qty
Price $112.90
Ref No 19
Part Number 35111-880-003
Description KEY
Serial Range 1115606 - 9999999
Ref No 19
Part Number 35111-880-013
Description KEY (HONDALOCK)
Serial Range 1115605 - 9999999
Qty
Price $11.16
Ref No 20
Part Number 36210-ZB4-014
Description THROTTLE UNIT, AUTO (SAWAFUJI)
Serial Range 1115605 - 9999999
Qty
Price $252.82
Ref No 21
Part Number 36214-ZB4-013
Description SWITCH, AUTO THROTTLE
Serial Range 1115605 - 9999999
Ref No 21
Part Number 36214-ZB4-023
Description SWITCH, AUTO THROTTLE
Serial Range 1115605 - 9999999
Qty
Price $40.08
Ref No 22
Part Number 36221-899-630
Description SWITCH ASSY., VOLT CHANGE
Serial Range 1115605 - 9999999
Qty
Price $215.84
Ref No 23
Part Number 37450-ZB4-651
Description METER ASSY., VOLT (300V)
Serial Range 1115605 - 9999999
Qty
Price $298.00
Ref No 25
Part Number 37560-ZA0-801
Description SOCKET ASSY., LAMP (GREEN)
Serial Range 1115605 - 9999999
Qty
Price $44.62
Ref No 26
Part Number 37563-ZA0-801
Description LENS (GREEN)
Serial Range 1115605 - 9999999
Ref No 27
Part Number 38240-898-000
Description PROTECTOR, CIRCUIT (D.C.)
Serial Range 1115605 - 9999999
Qty
Price $35.98
Ref No 28
Part Number 38250-898-000
Description LENS ASSY., PROTECTOR
Serial Range 1115605 - 9999999
Qty
Price $23.90
Ref No 29
Part Number 38251-898-000
Description LENS
Serial Range 1115605 - 9999999
Qty
Price $7.88
Ref No 30
Part Number 38252-898-000
Description CAP, LENS
Serial Range 1115605 - 9999999
Qty
Price $6.64
Ref No 31
Part Number 38253-898-000
Description SPRING, COIL
Serial Range 1115605 - 9999999
Qty
Price $1.86
Ref No 32
Part Number 38254-898-000
Description HOLDER, LENS
Serial Range 1115605 - 9999999
Qty
Price $9.72
Ref No 33
Part Number 90672-ZB4-003
Description TIE, CABLE
Serial Range 1115605 - 9999999
Qty
Price $5.76
Ref No 34
Part Number 90690-SA0-003
Description STRAP, WIRE HARNESS (25MM) (BLACK)
Serial Range 1115605 - 9999999
Qty
Price $9.30
Ref No 35
Part Number 93500-03006-0H
Description SCREW, PAN (3X6)
Serial Range 1115604 - 9999999
Qty
Price $1.00
Ref No 36
Part Number 93500-03012-0H
Description SCREW, PAN (3X12)
Serial Range 1115605 - 9999999
Qty
Price $1.00
Ref No 37
Part Number 93500-04006-0H
Description SCREW, PAN (4X6)
Serial Range 1115605 - 9999999
Qty
Price $1.10
Ref No 38
Part Number 93500-05010-0A
Description SCREW, PAN (5X10)
Serial Range 1115605 - 9999999
Qty
Price $1.10
Ref No 39
Part Number 93892-04008-08
Description SCREW-WASHER (4X8)
Serial Range 1115605 - 9999999
Qty
Price $1.40
Ref No 40
Part Number 93893-04010-08
Description SCREW-WASHER (4X10)
Serial Range 1115605 - 9999999
Qty
Price $1.64
Ref No 41
Part Number 93893-04012-08
Description SCREW-WASHER (4X12)
Serial Range 1101902 - 9999999
Qty
Price $1.64
Ref No 41
Part Number 93893-04012-18
Description SCREW-WASHER (4X12)
Serial Range 1115605 - 9999999
Ref No 42
Part Number 93893-05012-08
Description SCREW-WASHER (5X12)
Serial Range 1115605 - 9999999
Qty
Price $1.64
Ref No 43
Part Number 90201-ZB4-003
Description NUT, FLANGE (3MM)
Serial Range 1005079 - 9999999
Qty
Price $1.94
Ref No 44
Part Number 94050-04080
Description NUT, FLANGE (4MM)
Serial Range 1000001 - 9999999
Qty
Price $1.52
Item added to your cart
California Prop 65 Information
Internal Combustion Engine Products:
WARNING:
This product can expose you to chemicals including soots, tars, and mineral oils, which are known to the State of California to cause cancer,
and carbon monoxide, which is known to the State of California to cause birth defects or other reproductive harm. For more information go to
www.P65Warnings.ca.gov.
Miimo Robotic Mower
WARNING:
This product can expose you to chemicals including lead and lead compounds, which are known to the State of California to cause cancer and birth defects or other reproductive harm.
For more information go to
www.P65Warnings.ca.gov.