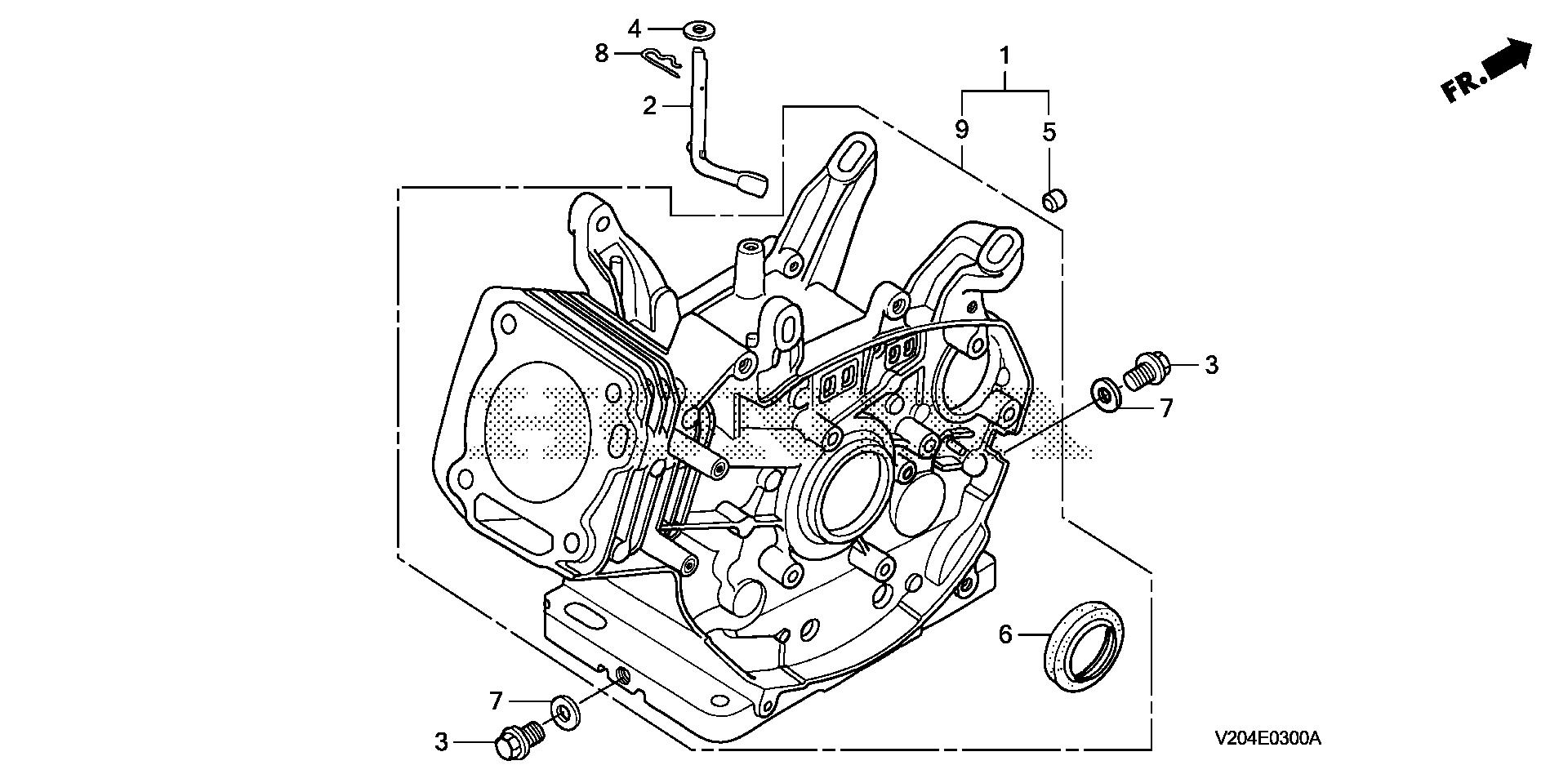
Tillers FRC FRC800 FRC800 AN FAHJ-1000001-9999999 CYLINDER - Canns-Bilco Distributors, Inc.

Ref No
Part Number
Description
Serial Range
Qty
Price

Ref No
2
Part Number
16541-ZE2-010
Description
SHAFT, GOVERNOR ARM
Serial Range
1000001 - 9999999
Qty
Price
$12.16

Ref No
3
Part Number
90131-896-650
Description
BOLT, DRAIN PLUG (12X15)
Serial Range
1000001 - 9999999

Ref No
4
Part Number
90446-KE1-000
Description
WASHER (8.2X17X0.8)
Serial Range
1000001 - 9999999
Qty
Price
$2.22

Ref No
6
Part Number
91201-890-003
Description
OIL SEAL (30X46X8)
Serial Range
4785710 - 9999999
Qty
Price
$11.64

Ref No
7
Part Number
94109-12000
Description
WASHER, DRAIN PLUG (12MM)
Serial Range
1000001 - 9999999
Qty
Price
$1.54

Ref No
8
Part Number
94251-10000
Description
PIN, LOCK (10MM)
Serial Range
1000001 - 9999999
Qty
Price
$1.50

Ref No
9
Part Number
12000-ZE2-405
Description
CYLINDER ASSY. (STD)
Serial Range
1000001 - 9999999
Qty
Price
$582.08

Ref No
9
Part Number
12000-ZE2-405
Description
CYLINDER ASSY. (STD)
Serial Range
1000001 - 9999999
Qty
Price
$582.08